Выбираем вентилятор
Теперь настало время ответить на вопрос как выбрать вентилятор для ванной комнаты? При выборе вентилятора следует оперировать его производительностью, безопасностью, уровнем издаваемого шума, и типом конструкции.

Вентиляция в ванной
Производительность системы
Это основной параметр, определяющий качество работы вентилятора, от него зависит скорость отвода пара и неприятных запахов. Стандартная естественная вытяжка рассчитана на вывод 50 м3/ч, но часто этого показателя недостаточно, чтобы усилить процесс вентиляции и устанавливают вентилятор.
Чтобы рассчитать необходимую производительность прибора, вам потребуется умножить объём помещения на кратность. Скажем, ванной комнатой пользуется от 1 до 3 человек, то число кратности будет равно 6, если же 3 и более, то 8.
Пример. В квартире проживает семья из трех человек, размеры ванной комнаты: длина – 3 м, ширина – 2.5 м, высота потолка – 3 м. нужно найти производительность вентилятора.
П=3*2,5*3*6=135 м3/ч – рекомендуемое значение производительности.
Теперь вы знаете, как правильно рассчитывается производительность.
Безопасность эксплуатации
Второй по важности параметр – это безопасность. В него включается защита вентилятора от влаги
Ведь ванная комната характеризуется повышенным уровнем влаги, мало того, велика вероятность прямого попадания воды на прибор вентилирования
Ведь ванная комната характеризуется повышенным уровнем влаги, мало того, велика вероятность прямого попадания воды на прибор вентилирования.

Вентилятор
Поэтому покупая нагнетатель, нужно обязательно обратить внимание, чтобы на нем была маркировка – IPx4. Она свидетельствует о том, что оборудование имеет должную защиту от воды, а это значительно уменьшит вероятность короткого замыкания
Да, еще один совет, для ванной комнаты лучше всего выбирать низковольтный прибор, чтобы в случае чрезвычайной ситуации, удар током был минимальным
Да, еще один совет, для ванной комнаты лучше всего выбирать низковольтный прибор, чтобы в случае чрезвычайной ситуации, удар током был минимальным.
Комфорт работы
Также очень важно, чтобы работа вентилятора не приносила вам дискомфорта. Чтобы этого не происходило нужно выбирать такой нагнетатель, издаваемый шум которого не превышал бы 40 дБ
Конструкция вентиляторов
Рынок переполнен всевозможными предложениями, поэтому прежде чем туда отправиться, нужно немного ознакомиться с каждым из них.
Вентиляторы различают в зависимости от места установки:
- Настенные;
- Потолочные.
По способу установки:
- Канальные;
- Радиальные.
Также важную роль играет тип конструкции: осевой, радиальный, центробежный и центробежно-осевой.

Настенный
Чаще всего используются осевые вентиляторы. Это связано с их простой установкой и хорошим показателем КПД. Они способны создавать оборот воздуха более 100 метров кубических в час, что впечатляет. Но при этом обладают плохими напорными характеристиками, поэтому их рекомендуют монтировать в случаях, если горизонтальная часть воздуховода менее 3 метров.
Есть и более мощная модель – центробежно-осевые, по мощности ничем не уступают осевым, они также способны работать с каналами, чья длина более 3 метров.
Центробежные, их не так часто выбирают из-за громкой работы, но их способность выводить воздух впечатляет, и если вас не смущает фоновый шум, то это вариант однозначно для вас.
Дополнительные фишки
В век технологий, развитие вентиляторов также не стоит на месте. Их оснащают различными дополнительными механизмами, позволяющими значительно упростить пользование.
Одним из таких дополнений являются датчики движения и уровня влажности. Благодаря им вентилятор будет сам определять, когда нужно проветрить помещение, а когда нет.

С датчиком влажности
Таймер. Довольно удобная вещь, он позволяет настроить время, когда прибор должен будет выключиться. Удобно использовать, если нагнетатель подключен к выключателю света.
Вентилятор с часами позволит вам следить за временем во время принятия душа. Практика показала, что это дополнение позволит вам реже опаздывать.
И если размеры отдушины не позволяют установить двойную вентиляционную решетку, то вентилятор с функцией постоянного проветривания будет отличным вариантом для решения вопроса вентиляции.
Приточно-вытяжная вентиляция квартиры
Принудительная вентиляция в квартире имеет отличное от бытовой естественной вентиляции строения, состоит из следующих элементов:
- Защитные решётки на приточку, которые не допускают попадания в квартиру мусора из вентиляции.
- Воздушные фильтры, которые очищают уличный воздух.
- Специализированные клапаны, которые помогают контролировать уровень тяги и объём поступающего воздуха.
- Шумоизолирующая прокладка. Работа вентиляции доставляет много шума, и чтобы предотвратить нарушение по уровню шума в квартире, вентиляционные шахты прокладывают шумоизолирующими материалами.
- Элементы автоматического контроля за работой вентиляции.
- Воздухоотводы и моноблоки, который соединяют все детали в единую систему.
Искусственную вентиляцию для многоквартирных домов можно разделить на два вида:
- Компактную.
- Полную.
Схема приточно-вытяжной вентиляции в квартире
Компактная система вентилирования для квартиры
Компактная приточная вентиляции представляет собой систему небольшого размера, у которой помимо габаритов есть ещё несколько положительных сторон. Компактные системы приточной вентиляции легки в монтаже, их может установить даже человек без специализированного образования. Для монтажа потребуется только сама система и прибор, способный делать отверстия в стенах. Такие системы имеют низкую стоимость. Устройство приточной вентиляции можно устанавливать прямо под окном в любой комнате или на балконе. Благодаря фильтрации и ионизации воздух в комнате станет чище. Фильтры не требуют регулярной замены, являются экономичными в использовании.
Компактные вентиляции работают намного тише, чем большие, поэтому их можно устанавливать даже в спальне. А благодаря современному дизайну они прекрасно дополнят любой интерьер. Компактные устройства для организации вентиляции лучше подходят для установки на последних этажах в многоквартирных домах, т.к. на последнем этаже сложнее всего наладить правильный воздухообмен.
Ещё один минус компактных систем — небольшой охват. Их можно устанавливать только в небольших помещениях до 45 квадратных метров, иначе от них просто нет смысла.
Некоторые системы оборудуются калориферами для прогрева уличного воздуха в зимний период. В некоторых устанавливаются рекуператоры, это дополнительно помогает сэкономить электроэнергию при обогреве жилого помещения.
 
Полноценная система вентиляции
Приточная вентиляция в квартире может реализовываться и при помощи полноценной системы автоматической вентиляции. Такая система имеет ряд отрицательных сторон: большие размеры, сложна в установке, дорогостоящая.
Такая система вентиляции в квартире сможет обеспечить достаточный приток и отток воздуха и частично сэкономить на обогреве помещения, так как часто системы оборудуются рекуператором. Использование полноценной приточной системы в маленькой квартире нецелесообразно, система больше подойдёт для нормализации воздуха обмена в больших помещениях.
Полноценная приточная вытяжная вентиляция в квартире имеет ряд преимуществ:
- Обеспечивает приток и отток воздуха в больших объёмах, полностью регулирует воздухообмен в квартире.
- Помогает распределить воздух по всем помещениям в квартире.
- Благодаря установленным фильтрам воздух в квартире становится чистым, не содержит пыли и аллергенов.
- Такое устройство вентиляции в квартире может увлажнять воздух, охлаждать или дополнительно прогревать его.
- Некоторые системы оборудованы автоматическим климат-контролем, что позволяет полностью автоматизировать процесс воздухообмена в доме.
Такие устройства могут располагаться как на полу, так и быть навесными, всё зависит от размера системы. Но чаще всего полноценные приточно-вытяжные системы располагаются недалеко от батареи центрального отопления примерно на этой же высоте.
 
Кому нужна приточная вентиляция
Многие считают, что установка приточной вентиляции – это ненужная роскошь. Однако последние исследования показывают, что, к сожалению, это стало уже необходимостью. Если раньше для нормального самочувствия людей было достаточно соблюдать объем воздухозамещения порядка 30 м 3 в час, то при нынешнем состоянии воздушной среды в мегаполисах и крупных городах, человеку для получения необходимого количества кислорода нужно не меньше 60 м 3 свежего воздуха в час. Такого объема замещения воздуха можно добиться, только установив в квартире систему принудительной приточно-вытяжной вентиляции. И даже в том случае, когда квартирах большую часть времени отсутствуют люди, необходимо постоянно производить так называемое фоновое проветривание для вентиляции в квартире и удаления ядовитых веществ, которые постоянно выделяют синтетические материалы и строительные конструкции.
Вентиляционная система должна в полной мере обеспечивать обмен воздуха с учетом различных факторов, таких как, планировка помещения, разница между наружной и внутренней температурой и.т.д. При проектировании вентиляционной системы наши инженеры заботятся не только о том, какое оборудование оптимально подойдет с технической точки зрения покупателю, но и как разместить его, чтобы потоки свежего воздуха двигались в правильном направлении. Кроме того, для нормальной циркуляции воздуха в квартире, необходимо чтобы под каждой межкомнатной дверью оставался зазор высотой в 5-10 миллиметров для циркуляции воздуха при закрытых дверях, а вот об этом уже должны позаботиться вы, наши заказчики. Вообще, существует еще много факторов и нюансов, которые нужно учесть, и если вы хотите грамотно организовать процесс вентиляции в вашей квартире, мы готовы поделиться с вами нашими профессиональными знаниями и опытом.
Группа компаний «Климат Контроль Инжиниринг» занимается проектированием и установкой вентиляционных систем на протяжении многих лет. Наши специалисты отлично знают технологию монтажа приточных установок и помогут вам разрешить все проблемы, связанные с процессом вентиляции в вашем доме.
Немного о выборе
Вам не обязательно задаваться данным вопросом, если принято решение обратиться в нашу компанию. В этом случае мы пришлем специалиста, который проведет осмотр объекта, а после подберет подходящее оборудование. Мы работаем не только с жилым, но и с производственным сектором. В результате вы точно получаете оптимальную конфигурацию. А вот ее выбор лучше доверьте профессионалу. Если вы все же решили самостоятельно приобретать продукт или проектировать его, то ознакомьтесь со следующими деталями:
- Металл для холода не подходит — изделия из стали эффективны при обстановке в −10 °C. При более низких показателях, производительность системы значительно снижается — надо использовать электрические составляющие;
- Толщина корпуса должна соответствовать — если она ниже 3 см, то требуется применять доп. изоляцию. Это особенно касается алюминиевых изделий. Наша компания обязательно учитывает данные нюансы, а вот новички могут и упустить их из виду в силу неопытности;
- Автоматика должна быть модернизируемой — этот пункт не обязателен, но желательно предусмотреть дополнительные возможности в плане управления системой и т. п. Да и применение современной системы контроля позволяет значительно снизить расходы на эксплуатацию вентиляции дома с рекуперацией;
- Учет свободного напора вентиляторов обязателен — этот параметр указывает на давление, создаваемое техникой с целью устранить потери в шахтах и др. узлах. Требуется проводить аэродинамические расчеты для данных целей, что под силу лишь подготовленным инженерам. Если этого не сделать, то рекуператор просто перестанет работать.
Из чего состоит вентиляция
Классическая вентсистема состоит из установки, обеспечивающей приток свежего воздуха, установки для отвода использованного воздуха, разветвленной или прямоточной сети воздуховодов и распределительных устройств.
В свою очередь, вентсистема приточного типа представляет собой комплект оборудования, которое осуществляет приток воздуха в сооружение. При этом обязательным условием эффективной функциональности является сохранение качества воздуха – его чистоты и температуры.
Приточная система включает в свой комплект следующие составляющие:
- Воздушный клапан. Его назначение уберегать систему от циркуляции воздуха при отключенных механизмах. Работа клапана может быть автоматизирована, если в его конструкции смонтирован электрический привод «зацикленный» на систему включения и отключения вентиляции. При включении принудительного устройства – клапан открывается, при выключении – закрывается.
- Канальный фильтр. Необходим для очистки приточного воздуха, качество очистки зависит от модификации фильтра, смонтированного в систему.
- Калорифер или канальный нагреватель. Используется для прогрева циркулирующего воздуха. Температура настраивается вручную или автоматикой. Калориферы могут быть электрическими или с «водяной нагревательной рубашкой» по типу радиатора.
- Канальный вентилятор. С его помощью полностью подготовленный воздух подается к воздуховодам и распределяется в помещении.
- Шумоглушитель. Его наличие служит для поглощения шума от работающих механизмов вентиляционной системы.
 
Приточная вентсистема может компоноваться из раздельных элементов, но также есть варианты обустройства в одном корпусе. Система из раздельных элементов монтируется легче, так как возможна гибкость при монтаже.
В бытовых вентиляционных системах самая распространенная компоновка включает в себя канальный вентилятор и клапан.
Важно! Удаляемый воздух в случае сильного загрязнения также должен пройти фильтрацию перед выводом его в атмосферу за пределами помещения. Данное требование регламентировано экологической безопасностью.. Защита от шума также регламентируется условиями эксплуатации
Защита от шума также регламентируется условиями эксплуатации.
Системы вентиляции также могут комплектоваться набором дополнительного оборудования для улучшения функциональности и эффективности:
- Защитная решетка на концах отводов. Она уберегает внутреннее сечение от попадания мусора и проникновения грызунов и птиц.
- Устройства распределения воздуха. Необходимы для регулировки направления циркуляции воздуха для подачи и удаления. Устройства имеют разные параметры и дизайнерское исполнение.
- Регулятор вентилятора, точнее скорости вращения крыльчатки. Усиление количества оборотов стимулирует циркуляцию.
- Регулятор температуры калорифера, работающий в ручном режиме по типу термостата.
- Гибкий гофрированный воздуховод. Используется, как промежуточный элемент в обустройстве сложных систем вентиляции. Как правило, используется при монтаже вытяжных систем.
- Гибкий воздуховод с шумоизоляцией. Используется, если важен уровень шума при эксплуатации механизмов вентсистемы. Как правило, применяется в приточных вентиляционных системах.
- Датчик температуры воздуха в канале. Он работает тандемно с регулятором температуры калорифера и позволяет поддерживать оптимальное заданное значение.
Задачи автоматики для вентиляции зданий

 Сервопривод куплен наа Aliexpress за 2 usdИсточник youtube.com
Сегодня на любом современном предприятии есть множество приборов и узлов для управления приточной вентиляцией и набор их функций порой не просто помогает, но даже может спасать здоровье и человеческие жизни. ПУ модуля ШУПВВ или ЩУВ оснащаются элементами электронного интеллекта для следующих действий:
- постоянное поддержание микроклимата помещения в заданном режиме (температура, влажность, загазованность);
- возможность дистанционного управления тем или иным блоком (запуск/блокировка, смена режима) удаленно (оператором при помощи ПУ);
- автоматически переход оборудования на другой режим при смене сезона (зима – лето);
- контроль всех фильтров на уровень загрязнение и автоматическая подача сигнала о необходимости их очистки/замены;
- автоматическое управление приточной вентиляцией при помощи заслонок;
- блокировка притока воздуха при срабатывании пожарных датчиков безопасности;
- отключение электропитания при возникновении скачков напряжения.
Автоматизация систем вентиляции и кондиционирования.
Разновидности ЩУВ и ШУПВВ

 Сборка щитов должна обеспечивать полную видимость каждого прибора и максимально быстрый доступИсточник oboiman.ru
Современный рынок электрооборудования предлагает широкий выбор самых разных ЩУВ и ШУПВВ, классифицируя их по размерам и по категориям. Все модификации можно разделить, как минимум, на четыре пункта:
- Оборудование для проветривания и удаления задымленности в помещениях. Такой климат-контроль нужен на производстве, например, для обустройства рабочего места сварщика или в кузне.
- ЩУ, контролирующие запуск, остановку и частоту вращения (мощность) систем вентиляции. Как правило, устройства такого типа имеют обширный функционал и могут устанавливаться как в подвесных, так и напольных шкафах управления. Возможна работа с фреонными установками, водяными калориферами и управление приточной вентиляцией.
- ЩУ электроснабжением приточно-вытяжной вентиляции. Сюда включается рекуператор для поддержания заданной температуры входящих и выходящих газовых потоков. Существуют также модификации, на основе гликоля (CₙH₂ₙ(OH)₂), где в системе теплоснабжения применяется циркуляция незамерзающих жидкостей типа антифриза. Сюда также входит циркуляционный насос и автоблокировка от неконтролируемых температурных перепадов.
- Модель с использованием обычного рекуператора рассматривается, как ЩУ приточной вентиляцией. Его легко перевести в любой режим. Сам рекуператор здесь выполнен в виде оцинкованного стального куба (квадратного или прямоугольного) с четырьмя патрубками – по два с каждой стороны. К ним подсоединяются металлические или пластиковые воздуховоды.
Рекомендации по сборке ЩУВ и ШУПВВ

 Монтажом и тестированием ЩУВ должны заниматься специалистыИсточник ivctl.ru
В любом случае все работы по сборке и установке ЩУВ и ШУПВВ должны производится квалифицированными специалистами с соблюдением ТУ 3431-001-67762877-2013 и ТУ 4371-001-67762877-2016. Самостоятельный монтаж и сборка устройств управления категорически запрещена. Корпусы щитов или шкафов тоже нельзя изготавливать по собственному усмотрению – их заказывают в соответствии с предполагаемым оборудованием. В тех случаях, когда не хватает каких-то проводов, креплений или тумблеров (такое часто случается) их замена должна в точности соответствовать заданным техническим характеристикам.

 Комплект элементов ЩУВ сопровождается схемойИсточник oboiman.ru
К комплектации всех ЩУВ и ШУПВВ заводом-изготовителем всегда прилагается монтажная схема, которой будет руководствоваться специалист при сборке. Но её сохраняют на предприятии на случай необходимости проведения каких-либо ремонтных работ.
Щит автоматики поддержание постоянного расхода воздуха.
4 Модели щитов
Прежде чем выбрать подходящий шкаф, следует посчитать количество элементов, которые входят в вентиляционную систему. Существует множество скомплектованных щитов, готовых к работе. Остается их приобрести и подключить к системе. Некоторые готовые модели:
- 1. ЩУВ 1—15. Универсальный прибор, регулирующий и обеспечивающий защиту электродвигателя вентилятора. Есть возможность установить регулятор частоты. Применяется с любым типом асинхронного двигателя на 220 или 380 В. Управление можно осуществлять с дистанционного пульта. Щит особенно удобен для применения в вентиляции для дымоудаления.
- 2. ЩУВ 5—30. Прибор обладает плавным пуском двигателя и защитой от токовых перегрузок. Используется для управления вентиляторами на 380 В без термоконтактов. Щит обладает защитой IP-66, что делает его обслуживание безопасным.
- 3. ЩУВ 6—5. Щит предназначен для плавной регулировки канального вентилятора на 220 В. Устройство состоит из автоматического выключателя и симисторного регулятора скорости вращения. Допускается использование дистанционного управления.
Оборудование для системы автоматического управления вентиляцией
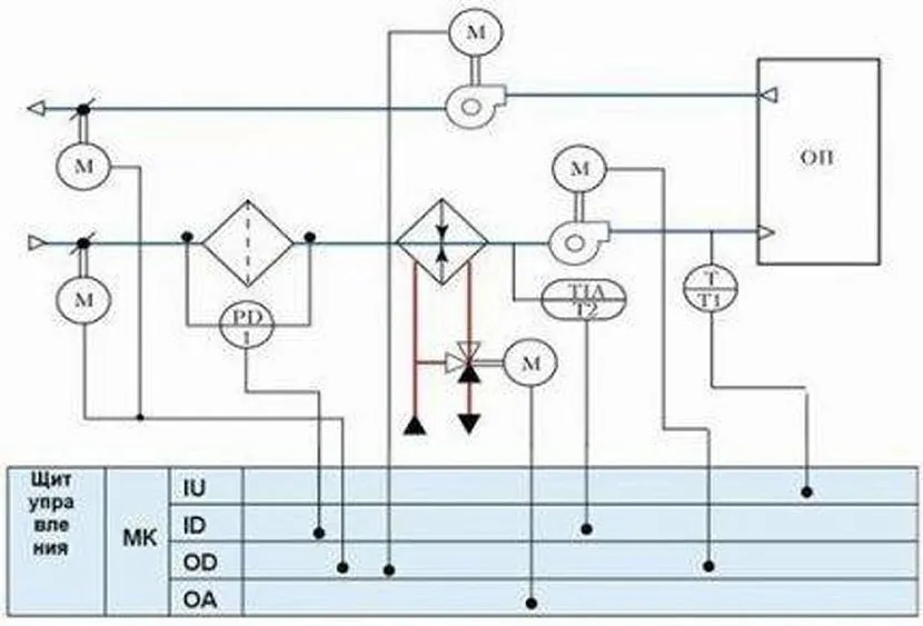
Выпускается ряд типов приборов, устройств и датчиков для создания автоматики управления вентиляцией. Для управления отдельным процессом, предназначены механизмы контроля. Но устройства не только контролируют весь процесс, но и управляют эксплуатацией одного участка схемы.
Автоматизированная система управления приточной вентиляцией
Поэтому, в состав автоматики входят десятки различных реле, датчиков и других приборов.
В состав автоматического устройства управления системой вентиляции, обязательно входят следующие приборы:
- регулятор температуры воздушных масс;
- прибор регулировки величины оборотов вентилятора;
- в узле обвязки устанавливается датчик нагрева воды и воздуха;
- привод управления запорным клапаном.
Но данные приборы производят локальное регулирование работы системы или делают замеры. Контроль и определение общего уровня безопасности, всего цикла работы вентиляционной системы, осуществляется с помощью шкафа центрального управления устройства вентиляции.
Сложность системы можно понять, ознакомившись с полным списком оборудования данного устройства. Количество определенных датчиков или реле может быть значительным, а некоторые приборы представлены в единственном числе. Рассмотрим устройство некоторых щитов автоматического управления.
Стоимость решений обустройства вентиляции
Как правило, большинство домовладельцев в стремлении обеспечить жилище надежной и качественной вентсистемой, доверяют всю работу «под ключ» опытным профессионалам. Данное мероприятие позволит не только рассчитывать на качество системы, но и на ее долговечность.
Большинство фирм предлагают обустройство вентиляционных систем, как в квартирах, так и в частных домах. При этом спектр стоимости варьируется и зависит от ряда параметров, а также конкретных решений обустройства. Далее мы рассмотрим механизм формирования цен.
 Какая средняя цена за оборудование для вентиляции в квартире и частном доме
Вопрос о цене интересует всех владельцев квартир и коттеджей. В первую очередь стоимость вентиляционной системы будет зависеть от ее мощности, функциональности, набора приборов и принадлежностей, а также прочих технических и инженерных характеристик.
Большинство фирм предлагает осуществить выбор конкретного опциона и набора элементов по каталогам, разработанным для осуществления бюджетных и более дорогих вариантов.
 Стоимость бюджетных моделей компактной вентиляции
Очевидно, что бюджетные варианты рассчитываются для владельцев, не желающих тратить крупные средства на обустройство. При этом даже в этом сегменте можно подобрать эффективное оборудование. В частности, для подачи чистого и свежего воздуха внутрь помещения применяются приточные клапаны.
Клапаны покрыты слоем шумовой и тепловой изоляции для того, чтобы уменьшить промерзание помещения через клапан, а также проникновение посторонних шумов в помещение. Кроме того, проходное сечение клапана или затвор оснащается фильтром очистки воздуха. Дешевые модели приточных клапанов обеспечивают только приток воздуха.
 Стоимость среднего сегмента моделей компактной вентиляции
Средней сегмент обустройства вентиляционных систем подразумевает более расширенный функционал, но модели оборудования для оснащения максимально просты и имеют сравнительно недорогую стоимостью. Чаще всего востребованы бризеры и проветриватели для осуществления принудительного притока в помещение. Бризеры имеют в своей конструкции систему фильтрации воздуха, отделяя его от пыли и прочих мелкодисперсных загрязнений. К среднему сегменту относят приборы с дополнительным функционалом.
 Стоимость оборудования из премиум сегмента компактной вентиляции
Приборы данного сегмента более сложны и функциональны, цена соответственно тоже выше. Примером является вентиляционная система с приточно-вытяжной циркуляцией воздуха и его рекуперацией. Такие системы не просто осуществляют воздухообмен, но также производят прогрев воздуха теплом отработанной воздушной массы, выводимой за помещение.
Важно! Существуют модели дорогих бризеров, которые также способны осуществлять рекуперацию воздуха при его циркуляции внутрь сооружения.
 От чего зависит цена вентиляции в квартире и частном доме “под ключ”
На формирование стоимости возведения вентиляционной системы влияет множество факторов. Расчет производится, исходя не только из стоимости оборудования, но также и сложности его монтажа.
Кроме того, необходимо учесть:
- Затруднения, которые могут возникнуть при самостоятельной разработке проекта и технической документации, возможно придется потратить средства на специалиста-проектировщика. Аналогичные затруднения могут возникнуть и при расчете необходимой производительности.
- Дополнительные работы, связанные с демонтажом старой системы, электропроводки и т.п.
- Особенности конкретной выбранной вентиляционной модели.
- Комплект и количество единиц вентиляционного оборудования.
- расчет производительности системы вентиляции для полноценного воздухообмена;
- Инженерно-архитектурные особенности помещения под обустройство.
Как уже было сказано, возведение вентиляционной системы начинается с разработки подробного и точного проекта. Это касается всех видов систем. После составления проекта составляется расчетная смета.
Важно! Проект можно не составлять только в том случае, если в помещении монтируется какой-либо один вид устройств точечно.
Ошибки при проектировании
На этапе проектирования нередки ошибки и упущения. Это может быть чрезмерный фоновый шум, обратная или недостаточная тяга, продувание (верхние этажи многоэтажных зданий) и другие проблемы. Некоторые из них могут быть решены даже после установки, с помощью дополнительных установок.
Отличным примером некачественного расчета является недостаточная тяга на выходе из производственного помещения без особо вредных выбросов. Предположим, что вентиляционный канал заканчивается круглой шахтой, которая поднимается над крышей на высоту 2 000 – 2 500 мм. Не всегда возможно или практично поднять его выше, и в таких случаях используется принцип сжигания. В верхней части круглого вентиляционного отверстия устанавливается сопло с меньшим диаметром рабочего отверстия. Это искусственно ограничивает площадь поперечного сечения, что влияет на скорость выброса газа в атмосферу и увеличивает ее во много раз.
Пример дизайна




































