Возможные неисправности
В процессе эксплуатации домофонной системы возможно возникновение различных неисправностей :
- повреждения трубки механического характера;
- при поднятии трубки сигнал продолжает звучать;
- выход из строя кнопки разблокирования замка;
- плохо слышно голос звонящего;
- если вы нажимаете кнопку открытия двери, происходит сброс вызова.
В первом случае проще заменить испорченную деталь (трубку), ведь они не такие дорогие. Главное, правильно подобрать переговорное устройство к вашей модели домофонной системы. В ситуациях, когда сигнал вызова не отключается при поднятии трубки, нет связи со звонящим посетителем и отсутствует реакция на нажатие кнопки управления замком – ищите поломку в переключателе снятия трубки. Его можно отремонтировать либо заменить и своими руками, однако, рекомендуется все-таки поручить это профессионалам, особенно если раньше вы ничего подобного не делали. Эта процедура требует определенного опыта и соответствующих инструментов.
Если для открытия замка вам приходится несколько раз нажимать на электрокнопку – виноват микровыключатель. Поменять самому эту деталь несложно, даже если она расположена на трубке домофона
Достаточно осторожно отпаять контакты неисправной детали, убрать ее и припаять новую. Если посетителя плохо слышно, дело в динамике либо микрофоне. В некоторых моделях такая неисправность может быть вызвана засорением резистора «Баланс», установленного на плате домофонной трубки
В некоторых моделях такая неисправность может быть вызвана засорением резистора «Баланс», установленного на плате домофонной трубки .
Несанкционированное отключение вызова при разблокировке замка может быть вызвано прерыванием электроцепи, идущей от динамика. В этом случае внимательно осмотрите все узлы подключения кабеля – и на панели, и на переговорном устройстве. Конечно, предварительно отключите прибор. Если где-то обрыв, нужно заменить провод или подпаять контакты провода и клемм. Подводя итоги, можно сказать следующее: во многих случаях заменить поврежденную трубку и цифрового, и координатно-матричного домофона можно самостоятельно, это довольно простое действие. Лишь в некоторых случаях стоит вызывать мастеров-настройщиков вашей домофонной системы.
О том, как подключить разные домофонные трубки, смотрите в следующем видео.
Домофон — уже необходимое устройство для собственника жилья в многоквартирном доме. Он сводит к минимуму доступ посторонних в подъезд: укомплектованные аудио-, а во многих домах и видеосвязью трубки позволяют вам быстро идентифицировать человека по ту сторону дверей. Многих интересует, возможно ли подключить домофон в квартире самостоятельно. Конечно, если вы разбираетесь хотя бы в азах электрики. А мы, в свою очередь, приведем для вас подробную инструкцию, которая поможет вам легко справиться с этим делом.
Как подключается домофон
Виды замков
Устройство и принцип работы
Конструктивные особенности аппаратуры
Чтобы максимально использовать возможности системы, нужно вникнуть в основные технические характеристики, понять устройство и работу такого оборудования.
Для этого, прежде всего, следует уяснить, что такие приспособления обеспечивают передачу аудио- и видеосигнала, гарантируют блокирование входных замков
. Наибольшей известностью пользуются аппараты Vizit, Falcon Eye, Commax.
В многоквартирном доме установкой подобного оборудования занимаются централизовано с привлечением компаний, которые знают, как подключить домофон в квартире, и предоставляют такие услуги на платной основе. Эти же специалисты и занимаются техническим обслуживанием систем.
Но если планируется сэкономить и обойтись без обращения к установщикам, то нужно получить представление о комплекте домофонной аппаратуры, в том числе назначении и функциональности следующих элементов:
- переговорная трубка, которая устанавливается внутри помещения и позволяет ответить на запрос посетителя (подключена к системе запирания);
- личная панель вызова для считывания кода, ввода номеров, показа видеоинформации и передачи звука;
- запирающее устройство с электромагнитным механизмом или более старые варианты с задвижкой и электроприводом;
- коммутатор в виде модуля для передачи сигналов в соответствии с набранным номером квартиры;
- блок питания, кнопки и коммутационные детали.
Желающим понять, как самостоятельно подключить домофон, следует знать, что такая система запитывается от напряжения 12 или 24 В
. При этом можно выбрать варианты с передачей только аудио- или еще и видеосигнала.
Как смонтировать домофон в квартире
Монитор/аудиотрубка и вызывная панель
Монитор видеодомофона может быть:
- Аналоговым, работающим с CVBS камерами и вызывными панелями. Несмотря на низкое качество картинки (но достаточное для распознавания гостя), это самый распространенный тип домофонии.
- Аналоговым HD, который, помимо CVBS, поддерживает также HD-TVI, HD-CVI и AHD камеры и вызывные панели. В данном случае разрешение видео может достигать 2 Мп (1080p). Это явно избыточно для целей домофонии, но при задаче записывать видео будет в самый раз.
- IP. Основной плюс – использование сетевых технологий для связи монитора с вызывной панелью, а значит – любые расстояния между ними. Различные удлинители, беспроводные точки, оптоволокно и интернет позволят подключить устройства хоть в километре друг от друга.
Что касается характеристик мониторов, то стоит обратить внимание на количество поддерживаемых вызывных панелей, камер видеонаблюдения, карты памяти, возможность установки нескольких мониторов в одной системе. Из дополнительного – возможность переадресации вызова на смартфон. Последнее доступно не только в IP домофонии, но и в аналоговой тоже
В аналоговые производитель может добавить сетевой порт и/или Wi-Fi модуль для подключения монитора к вызывной панели
Последнее доступно не только в IP домофонии, но и в аналоговой тоже. В аналоговые производитель может добавить сетевой порт и/или Wi-Fi модуль для подключения монитора к вызывной панели.
По совместимости – к аналоговым и аналоговым HD мониторам зачастую можно подключить вызывные панели любого производителя, только проверяйте поддерживаемый монитором стандарт (CVBS, TVI, CVI, AHD) и разрешение. Тем не менее крайне рекомендую использовать оборудование одного производителя, т к периодически возникают проблемы с совместимостью – не открывает дверь, нет звука, не идет вызов. Или перед монтажом проверять оборудование на столе. В IP домофонии следует использовать оборудование только от одного производителя.
Что касается аудиодомофона, то тут стоит учитывать, что трубки могут быть для многоквартирных домофонов (координатные и цифровые), а могут быть для одноабонентских вызывных панелей. А еще могут быть трубки, которые подключаются к мониторам, рассмотренным выше. Так что перед покупкой или проконсультируйтесь с продавцом, или посмотрите в инструкции, с какой вызывной панелькой работает выбранная трубка.
Коммутатор (для IP домофонии)
Если планируется использовать IP домофонию и запитать все оборудование по PoE (передача питания по Ethernet), то обратите внимание на поддерживаемый монитором и вызывной панелью стандарт питания. Это может быть как 802.3af, применяемый практически во всех PoE коммутаторах, так и Passive PoE. Оборудование с последним типом питания работает только с коммутаторами того же производителя
Оборудование с последним типом питания работает только с коммутаторами того же производителя.
Замок и доводчик
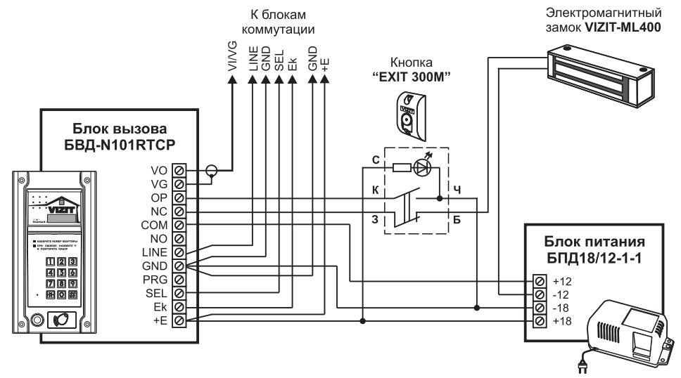
Замки бывают двух типов – электромагнитные и электромеханические. Электромеханические открываются при краткосрочной подаче питания, а элетромагнитные наоборот – при снятии питания. Соответственно, если у Вас выключили свет, а источник бесперебойного питания не предусмотрен, то электромеханический замок останется в закрытом положении, а дверь с электромагнитным замком – откроется. Поэтому, в дополнение к электромагнитному замку, стоит установить еще и обычный, открывающийся с ключа замок.
Еще электромеханический замок можно открыть с помощью ключа, а для открытия электромагнитного нужно покупать считыватель и контроллер (или покупать вызывную панель, в которую данные элементы встроены).
Доводчик обязательно устанавливается на двери с электромагнитным замком и по желанию на двери с электромеханическим.
Контроллер и считыватель
Как уже было сказано выше – контроллер со считывателем обязательно нужен в системе с электромагнитным замком и по желанию – в системе с электромеханическим. Чаще всего устанавливают простые контроллеры, например, Z-5R. Иногда покупают вызывную панель, в которую встроен считыватель и контроллер. Так красивее и все в одном устройстве.
Блок питания
Последний элемент системы – блок питания. Используется для питания замка, контроллера и считывателя и подбирается исходя из их суммарного энергопотребления.
В случаях, когда контроллер и считыватель не используются, выбран электромеханический замок и у домофона есть функция подачи на него питания, блок питания можно не приобретать.
Пошаговая инструкция
- Определяемся с выбором комплекта домофона. Это, может быть трубка, посредством какой можно будет общаться на расстоянии. В комплекте также есть наличие кнопки, которая выполняет функцию открывания дверей. Также можно приобрести видеодомофон. Здесь вы не только можете переговариваться, но и видеть человека, стоящего перед дверью.
- Далее, выбираем место крепления устройства. Расстояние от низа поверхности 150 см. Следует выбрать месторасположение так, чтобы была возможность услышать вызывной сигнал со всех уголков квартиры или дома.
- Теперь переходим к прокладке провода. В качестве материала используем витую пару с экраном. Не стоит забывать, что возможная длина кабеля 40 метров. Укладку провода нельзя делать около силовых кабелей, чтобы не было наводки и, что ещё хуже, может привести к повреждению домофона. Проводим дополнительное питание (220 В) к тому месту, где будет установлен модуль домофона (подъезд или ворота дома).
- В квартиру сверлится отверстие, куда заводится кабель. Устройство закрепляем саморезами и подключаем питание.
Схема подключения вызывной панели
Возвращаемся на улицу к вызывной панели. Монтируете на колонне в месте выхода кабеля крепежный кронштейн и переходите к подключению проводов.
Часто в комплекте с кронштейном идет специальный уголок. Он позволяет панельке встать под углом в 30 градусов, дабы видеоглазок смотрел на входящего посетителя, а не на пустую дорогу или в небо.
Схема подключения проводов вызывной панели указана на корпусе с обратной стороны. Оттуда же выходят жилы кабеля определенной расцветки.
Четыре из них отвечают за связь с домофоном, а два управляют замком. Все жилы трех кабелей (выходящего из панели, проложенного от домофона в доме на улицу, отдельно идущего на замок ворот) через опрессовку с последующей изоляцией термотрубками подключаете между собой согласно расцветки и схеме указанной на обратной стороне панели:
Все жилы “GND” соединяете между собой, а две жилы питания “B+” с проводом +12V.
Провода, подписанные как “замок”, подключаете в любой последовательности.
Если вы используете кабель КВК или другой видеокабель, то вот назначение его 4-х жил:
Ошибка №5Старайтесь здесь избегать скруток, с последующим применением изоленты.
Это ухудшает сигнал, а через год-два приводит к неработоспособности всей системы. Если вы все-таки скручиваете жилы, то обязательно пропаивайте их и защищайте термоусадкой.
Монтаж кабеля для видеодомофона
Порядок работ здесь следующий. Определите у себя на заборе место установки вызывной панели.
Как правило, она ставится со стороны замка, а не со стороны петель калитки.
Какой же кабель выбрать?
Прежде чем определиться с выбором кабеля, вначале нужно определиться с некоторыми пунктами:
- Где будет, протянут кабель. На улице, в помещении, вблизи мощного источника электромагнитных волн.
- Измерить расстояние между блоком вызова и монитором.
При выборе кабеля, необходимо выбирать из качественных моделей. Т.е., сам провод должен быть медным.
Если расстояние между устройствами меньше 30 м., а проводка тянется в помещении, можно приобрести витую пару. Провода нужно немного.
Поэтому специалисты рекомендуют не экономить на таких мелочах.
Но для уличных работ подойдёт КВК — кабель отечественного образца.
Для передачи сигнала на расстояние от 100 м. обычно берут КСПВ — кабель. Но здесь есть небольшой подвох.
Компания-производитель должна быть следующая:
- Cavel,
- Belden,
- ComScope.
Обязательно на бренде должна стоять маркировка RG-6, но подойдёт и RG-59. Этот тип проводки прослужит долго.
Домофон Commax: инструкция установки, схема подключения
Домофоны Commax различаются по диагонали экрана, по типу связи, способу управления и пр. Некоторые модели умеют разделять экран на четыре части. Это удобно, если необходимо просматривать изображение с четырёх камер одновременно. Пользователь может выбрать цветной или чёрно-белый домофон, с функцией «свободные руки» и другие виды модификаций.
Более комфортным решением является возможность подключения беспроводной трубки. Таким образом, сигнал проходит не только на домофон, но и на саму трубку, что очень удобно, если квартира большая и вызов не всегда можно услышать. Наличие такой трубки позволяет использовать её не только как средство связи с системой домофона, но и как телефон, для чего достаточно подключиться к сети оператора связи.
Подключение домофона
Как устроен домофон, его модули
Виды домофонов подразделяются в зависимости от количества пользователей (одно и многоабонентские), а также по характеру работы (с аудио- и видеосвязью). Чаще всего в комплект входят:
- трубка домофона;
- модуль вызова;
- запорное устройство;
- источник питания;
- соединительные разъемы и кабели.
С трубкой все понятно – это блок, который требуется для связи хозяев дома с абонентами извне. Модуль вызова предназначен для обратной цели. С этой панели осуществляется набор кода, а также управление замком (если применяется специальный магнитный ключ). Запорное устройство, работающее по принципу электромеханического (электронного или электрического) замка, аналогично ригелю в стандартной двери: это узел, предотвращающий доступ посторонних в подъезд, помещение, квартиру.
Основные схемы подключения домофонов
Для начала выбирают из имеющихся оптимальную схему. В многоквартирном доме схема сложнее, чем в частном.
В многоквартирном доме
Схема подсоединения зависит от вида домофона – координатного или цифрового. Подъездный прибор устанавливают специалисты, делая разводку по этажам. Они же подсоединяют индивидуальные домофоны.
Цифровой домофон
Это дорогостоящий прибор, который пользуется меньшей популярностью в сравнении с аналоговыми видами. Он дает возможность одновременно обслуживать не больше 255 абонентов.
Двухжильный кабель проводят по стояку подъезда. К нему идут квартирные домофоны. Программирование номера квартиры осуществляется с помощью микросхемы внутри трубки. На нее устанавливают джамперы либо перемычки, которые и кодируют номер. Код квартиры соответствует замкнутым перемычкам на цифровой панели. Обязательно четко соблюдают полярность.
К примеру: для подключения домофона перемыкают джамперы, сумма которых соответствует номеру квартиры. Если номер 36, то соединяют перемычки 32, 2, 2.
Иногда домофоны оснащены встроенным блоком сопряжения. При его отсутствии при подключении дополнительно используют модуль сопряжения МСЦ. Он согласовывает работу домофона в подъезде и видео прибора в квартире. Этот блок совместим с моделями разных производителей. Но могут быть и некоторые ограничения.
Процесс подсоединения состоит в подключении к модулю 2 проводов от кабеля видео домофона и подъездного устройства. Адаптер оснащен выходами для камеры и панели вызова.
Плюс цифрового домофона – богатый набор функций.
Координатный домофон
Его используют чаще, так как при поломке прибора у одного абонента система у других будет работать. Подсоединение выполняют по схеме, работающей по принципу телефонной автоматической станции. Обязательно присутствует коммутатор. Для подключения к нему используют 2 шины: на первой контакты соответствуют единицам (Е0…Е9), на второй – десяткам (D0…D9). К примеру, для подключения квартиры №54, нужно минусовой провод подсоединить к клемме E4, а плюсовой – к D5.
Когда номер квартиры выше 80, делают перепрограммирование и смещение номеров. Для подсоединения домофона надо знать число смещения.
Для подключения координатного домофона используют модуль сопряжения МСК. Его подключение аналогично МСЦ. Здесь тоже нужно придерживаться полярности, иначе прибор не будет нормально работать.
Для подъезда с малым количеством квартир оптимален аналоговый домофон с встроенным коммутатором. Можно сразу подключать квартиры к вызывной панели, что существенно облегчает установку трубок.
Плюс такой системы – пользовательские трубки разных фирм взаимозаменяемы.
Беспроводной домофон
В этом случае кабель для контакта внутреннего блока и панели вызова не нужно. Монтаж проводится быстрее и легче. В зависимости от модели дальность действия доходит до 100 м. При расчете нужно учитывать расстояние между панелью вызова и трубкой, толщину стен и иные преграды, которые могут создавать помехи.
В процессе монтажа в многоквартирном доме панель вызова устанавливают около двери квартиры, в коттеджах – около калитки. Крепят ее на высоте 1.5-1.6 м. Если есть замок, то его тоже крепят к двери, а управление подсоединяют к домофону. Дисплей с трубкой в квартире устанавливают в удобном для пользователя месте.
Плюс беспроводного домофона – установка в любой части помещения. Для увеличения дальности функционирования можно использовать направленную антенну.
С электрическим замком
Это самый распространенный вариант. Замок и домофон подключают вместе, что дает возможность открывать замок с помощью кода, кнопки на панели вызова и электронного ключа. К внешнему блоку от наружного при установке аудио домофона ведет 3-жильный кабель. Для подсоединения видео домофона применяют 4-жильный кабель.
При подключении домофона нужно учитывать, что вызывная панель питается от внутренней панели, а последняя – от 220В.
Без замка
Самый простой способ. Внутренний и внешний блоки соединяются между собой двумя 2-жильными или 4-жильным проводом. По двум проводам подается видео и аудио сигнал, а по остальным – питание. Домофон без электрического замка стоит подключить, если удобно выходить постоянно на улицу и открывать дверь. Желательно устанавливать домофон с замком, которым управляют нажатием кнопки, при этом не выходя из дома.
Установка на прибор координатно-матричного типа
Подключение трубки к аналоговому (координатно-матричному) прибору отличается от аналогичного действия с цифровым устройством. Аналоговая домофонная система работает по принципу телефонной станции – прием, анализ и соединение с нужным абонентом в ней осуществляет коммутатор. Подключение абонентов к системе чаще всего осуществляется параллельно.
Для соединения переговорного устройства с коммутатором предназначены 2 специальные шины. На первой шине контакты (D0-D9) отвечают за десятки в номерах квартир, на второй (Е0-Е9) – за единицы. Провод от клеммы со знаком плюс соедините с контактом, отвечающим за десяток в вашем номере (для квартиры №87 – 8), провод от отрицательной клеммы подключается к единичному контакту (в нашем примере 7).
В некоторых случаях при установке домофонной системы настройщики перепрограммируют панель, смещая номера на некоторую величину. Это действие производится, к примеру, при невозможности подключения сотых номеров. В такой ситуации своими руками вы трубку подсоединить не сможете, придется вызывать специалиста, который настраивал вашу систему. Коммутаторы обычно устанавливаются на каждом этаже в распределительных щитах и соединяются между собой в параллельную цепь.
Возможен и монтаж одного коммутаторного устройства на весь подъезд, но в такой ситуации потребуются дополнительные десятки метров кабеля для того, чтобы последовательно подключить квартиры на верхних этажах. Если при подключении хотя бы одного абонентского переговорного устройства к подъездной аналоговой системе нарушить полярность подсоединения проводов, это может отразиться на функционировании всех устройств системы, как и в случае с цифровой домофонной связью.

Какое устройство имеет трубка для переговоров?
Сама по себе трубка становится основным элементом для полноценной работы домофона. Её устанавливают исключительно внутри помещения квартир или домов. При помощи неё человек принимает решение открыть помещение тому, кто звонит или нет. Если рассматривать базовую комплектацию, то она в любом варианте одинакова. Различия есть и зависят они непосредственно от производителя системы. Рассмотрим, что же находится в трубке:
- Динамик для разговора;
- Микрофон для проведения переговоров с абонентом;
- Провода, выполняющие соединительную роль;
- Электрическая плата.
Основные неисправности, которые могут возникнуть с переговорной трубкой

Если пользоваться устройством на протяжении длительного времени, то рано или поздно трубка сломается. Оптимальный вариант – заменить поломанный инструмент. Но часто такая замена — дело затратное. Поэтому изначально следует попытаться проблему устранить. В тот момент, когда домофон перестаёт полноценно работать, у владельца помещения появляется масса неудобств. Так как в этот момент он уже не имеет возможность полноценно следить за зданием и дверь в таком случае открывается без труда. Когда устройство установлено на подъезд, а пользование затруднено в одной квартире то, скорее всего, проблема в установленной трубке. Чтобы разобраться с неприятностью следует рассмотреть виды поломок:
- Домофон не работает из-за того, что кнопка открытия двери не срабатывает;
- Плохая слышимость одной из сторон;
- Порыв на кабеле;
- Западание язычка.
Определить причину, по которой произошла неприятность можно и самостоятельно. Чтобы это сделать нужно обладать минимальными техническими знаниями. Если таких знаний нет, то для работы привлекают специалиста.
Установка на прибор координатно-матричного типа
Подключение трубки к аналоговому (координатно-матричному) прибору отличается от аналогичного действия с цифровым устройством. Аналоговая домофонная система работает по принципу телефонной станции – прием, анализ и соединение с нужным абонентом в ней осуществляет коммутатор. Подключение абонентов к системе чаще всего осуществляется параллельно.
Для соединения переговорного устройства с коммутатором предназначены 2 специальные шины. На первой шине контакты (D0-D9) отвечают за десятки в номерах квартир, на второй (Е0-Е9) – за единицы. Провод от клеммы со знаком плюс соедините с контактом, отвечающим за десяток в вашем номере (для квартиры №87 – 8), провод от отрицательной клеммы подключается к единичному контакту (в нашем примере 7).
В некоторых случаях при установке домофонной системы настройщики перепрограммируют панель, смещая номера на некоторую величину. Это действие производится, к примеру, при невозможности подключения сотых номеров. В такой ситуации своими руками вы трубку подсоединить не сможете, придется вызывать специалиста, который настраивал вашу систему. Коммутаторы обычно устанавливаются на каждом этаже в распределительных щитах и соединяются между собой в параллельную цепь.
Возможен и монтаж одного коммутаторного устройства на весь подъезд, но в такой ситуации потребуются дополнительные десятки метров кабеля для того, чтобы последовательно подключить квартиры на верхних этажах. Если при подключении хотя бы одного абонентского переговорного устройства к подъездной аналоговой системе нарушить полярность подсоединения проводов, это может отразиться на функционировании всех устройств системы, как и в случае с цифровой домофонной связью.

Подготовка места работы
Если до места установки монитора уже проведён провод для питания монитора, найдите в щитовой предохранитель который отключает в нём питание и убедитесь что провод обесточен до начала работ с укладкой и подключением проводов к разъёмам.
Для проверки напряжения используйте датчик напряжения так как показано на изображении с лева. Вам также понадобится защитить мебель и ковровое покрытие перед началом бурения дыр в стене для крепежа и создание ответствия в стене для проводов покрывая их плёнкой. Запишите цвета провода который уже проложен \ Вы собираетесь прокладывать сами и подготовьте детальную схему подключения видеодомофона следуя инструкции на рисунке с права.
Соберите оборудование и инструменты и матерьялы так, чтобы всё уместилось в одном углу и не было необходимости искать недостающие приборы/инструменты по всему дому разнося пыль (особенно) после начала бурения.
Аспекты, на которые обращают внимание при выборе необходимых для замены деталей
Важным в процессе ремонта становится правильный выбор детали для замены. Покупку производите в специальных магазинах
Помимо этого обращайте внимание на модель домофона, для которой приобретаются детали

Если рассматривать современные модели, которые появляются в ассортименте, выделяются домофоны, не имеющие подставок. В процессе выбора учитывайте тип. Различия между предложенными вариантами могут быть в следующем:
- Разновидность адресации вызова;
- Способ применения;
- Особенности функциональной работы.
Проблем при приобретении и выборе возникнуть не должно. Тем более, что ассортимент переполнен разнообразными моделями. Но всё-таки лучше не устанавливать оборудование самостоятельно, а обратится за помощью к специалистам. Конечно, они запросят плату за свои услуги, но можно быть уверенным в том, что всё будет выполнено качественно и с долгосрочной гарантией в обслуживании.

О том, как производят ремонт специалисты посмотрите в нашем познавательном видео.
На сегодняшний день актуально обеспечение безопасности своего жилища. На смену старым, тяжело открывающимся замкам, пришло новое современное устройство – домофон, которое не только обеспечивает безопасность вашего дома, но и позволяет дистанционным способом управлять замком на дверях или калитке. Такое устройство широко применяется в многоквартирных домах, в частных жилищах, коттеджах, крупных офисах и складах. В большинстве случаев домофоны устанавливают специальные компании, занимающиеся их реализацией. Но поскольку данное оборудование – простое по своей структуре, его с легкостью можно установить самому. В этом случае проблема возникает в решении – как подключить трубку домофона. Как показывает практика – все очень просто.
Подключение домофона в многоквартирном доме своими руками
Как правило, в многоквартирных домах домофонные системы являются собственностью обслуживающих компаний. И для самостоятельного подключения к общей сети, или установки индивидуального абонентского устройства потребуется разрешение такой компании. Поэтому главной рекомендацией по установке личного домофона в многоквартирном доме является получение письменного разрешения от компании обслуживающей инженерные сети дома.
Технически, подключение домофона в многоквартирном доме своими руками, выглядит следующим образом.
Если подъезд дома имеет подключение нескольких абонентов к домофонной системе, то это многоабонентский домофон со стандартными комплектующими — внешняя панель двери подъезда (вызывной блок), абонентская внутренняя панель (трубка или монитор) и распределительный блок (коммутатор).
Коммутаторов может быть несколько. Общий согласующий блок находится в электрощите первого этажа, и далее коммутаторы устанавливаются по щиткам каждого этажа, если на них есть абоненты.
Внутридомовая домофонная система монтируется при помощи многожильных кабелей, которые тянутся от коммутатора на общем щитке первого этажа к коммутаторам на этажных щитках, а оттуда разводятся по абонентским квартирам. Т.е. это витая пара, либо двенадцати жильный сигнальный кабель с алюминиевым плетением.
Для подключения внешней панели вызова к базовому коммутатору используют семижильный кабель. А при помощи четырехжильного — соединяют дверные кнопки и электронный замок.
Вот ко всей этой системе проводов домофона можно подключить свое устройство (трубку или панель) самостоятельно, не привлекая работников домофонной компании.
Трубка или панель являются накладными внутренними устройствами и легко монтируются на стене прихожей или коридора. Выводим кабель на этаж к щитку (подойдет двужильный провод).
В щитке должны находится кабели домофона — их два — «шина десятков» и «шина единиц». Если кто-то из жильцов этажа, подключен к домофонной сети, то в щитке будет находится коммутатор, к которому и следует подключить свое устройство. Для этого «плюс» своего кабеля нужно подсоединить к «шине десятков», а «минус» к «шине единиц».
Шины различаются цветом проводов, поэтому ориентироваться следует на подключения соседей. Если вы ошиблись с подключением и домофон не работает, то нужно просто перекинуть фазы и еще раз проверить работу домофона.
Типы домофонов и общие схемы их подключения
Современный домофон — устройство не только для разговора владельца жилья и его гостя. Умные коммуникаторы предоставляют возможность рассмотреть посетителя, задать ему вопросы и получить на них ответ, удаленно открыть замок на входных дверях. Полный перечень и уровень сервиса зависит от конкретной модификации устройства.
Многоквартирный домофон
В обобщенном виде схема подключения домофона для многоквартирного дома выглядит следующим образом:
Из рисунка видно, что в многопользовательском варианте переговорной системы присутствуют дополнительные коммутаторы, направляющие сигнал в требуемую квартиру. Кроме того, разводка ведется многожильным кабелем, количество проводников в котором соответствует числу подключенных абонентов. Звуковой и видеосигналы идут по раздельным проводам, а это еще более усложняет подключение всех элементов. В более продвинутых системах используются системы мультиплексирования или цифровой формат связи, что требует от монтажников довольно высокой квалификации.
Многопользовательская система достаточно дорогое удовольствие и приобретается обычно в коллективное пользование в складчину. Для ее монтажа приглашаются специалисты, которые хорошо знают, как подключить видеодомофон к каждой квартире.
Домофон индивидуального пользования
Совершенно по-другому строится спикер-система в индивидуальных коттеджах и частных домах. Поскольку таким домом владеет только одна семья — для организации связи достаточно только одного комплекта, состоящего из внутреннего и наружного спикерфонов. Многие современные блоки позволяют подключать дополнительную трубку или второй терминал для размещения на втором этаже, в гараже или другом нужном месте согласно потребности владельцев дома.
В отличие от многопользовательской системы, установка домофона в частном доме не представляет большой сложности и вполне под силу любому электрику или другому человеку, имеющему навыки электромонтажных работ. Как подключить домофон конкретной модели — всегда подробно объясняется в инструкции производителя, и такая работа обычно не вызывает особых сложностей.
На рисунке представлены все элементы простой спикер-системы для частного дома. По нему хорошо видно, как установить домофон в частном доме. В систему входит:
- домашний спикерфон (1);
- блок питания (2);
- вызывная наружная кнопка-спикер (3);
- электромеханический или магнитный замок (4);
- связной кабель.
В зависимости от конкретных условий и марки устройства данная схема может основываться на разной комплектации. Рассмотрим основные составляющие.
Какому типу замка отдать предпочтение
Электромеханический вариант замка представляет собой модификацию простого замка, в котором выдвижная защелка может открываться как ключом, так и электромагнитом. В самых простых вариантах электромагнит размещается отдельно от замка и связан с ним механической тягой.
- калитка или входные двери будут заперты даже при отключении электроэнергии;
- при поломке замок можно поменять на обычный, подобный по конструкции.
Недостаток — как и любой механизм, такой замок требует постоянного внимания, смазки и регулировки. Учитывая его наружное применение, срок работы такого замка гораздо меньше электромагнитного.
Электромагнитный замок представляет собой магнит с очень большим усилием отрыва. Он устанавливается на неподвижной части, а на самой двери устанавливается магнитная плита, притягивающаяся к электромагниту. Усилие отрыва такого замка составляет 200-300 кг. При попытке открыть такую дверь, скорее оторвется ручка, а замок по-прежнему будет крепко удерживать дверное полотно.
Очень весомый аргумент в пользу электромагнитной системы — ее механическая прочность и стабильность. Поскольку никаких движущихся частей механизма тут нет — замок может работать вечно, да и внимания к себе он практически не требует.
Главный недостаток заключается в том, что если отключается электричество, то дверь оказывается разблокированной. Поэтому электромагнитные замки ставят на калитку и ворота, но не на входную дверь.
Коммуникаторы
Наружный и внутренний коммуникаторы могут иметь только звуковой или одновременно звуковой и визуальный канал связи. В наружной спикер-кнопке как правило располагается динамик, микрофон и камера. Внутренний спикер имеет еще и экран, на котором можно увидеть лицо гостя.
Подключение видеодомофона к дополнительным наружным видеокамерам значительно увеличивает обзор и контроль ситуации за входной дверью. Для открывания дверей на внутреннем спикере существует специальная кнопка. Ряд изделий предусматривает возможность подключения дополнительных трубок, сигнализации и включение тревоги.
Как подключить все компоненты устройства?
Итоги
Домофоны Vizit – надежные устройства, которые характеризуются стабильной работой в различных условиях. Однако неприятности в виде поломок все же иногда случаются. Если такая проблема не обошла вас стороной, трубку домофона вы всегда можете попробовать починить самостоятельно, опираясь на советы, приведенные выше. Не уверены в своих технических знаниях и навыках? Нет желания рисковать? Лучше обратитесь в сервисную поддержку. Мастера, которые занимаются сервисным обслуживанием домофонных систем, произведут диагностику устройства, которое вышло из строя, и выявят причину поломки. В своей работе они используют специальное оборудование для диагностики и настройки домофонов. Когда будет известно, что именно перестало работать, квалифицированный специалист сообщит, что именно необходимо сделать – отремонтировать трубку, купив новые запчасти, или же полностью заменить устройство.
Стоит отметить, что стоимость трубки невысока, поэтому при серьезных поломках, как правило, специалисты рекомендуют установить новый прибор, который будет работать долго и без проблем, не доставляя пользователю каких-либо неудобств.







































